0510-87440001
400-8280-114
当前位置:宙斯泵业 > 技术标准
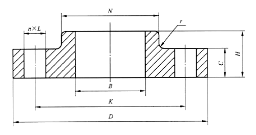
GB/T9116-2010带颈平焊钢制管法兰PN10标准
来源:本站  作者:宙斯泵业  人气:627次  发布时间:2019-10-19  更新时间:

HG/T20592-2009带颈平焊钢制管法兰结构图

HG/T20592-2009带颈平焊钢制管法兰PN10标准

GB/T9116-2010带颈平焊钢制管法兰PN10标准


责任编辑:宙斯泵业