联系
HFL系列无泄漏耐腐耐磨泵是一种的衬里型后吸式(轴密封位置与进液口同向)的耐腐耐磨泵。该泵是总结了普通耐腐耐磨泵,在运行时,密封容易泄漏的情况下开发的一种新型压力输送泵,它具有以下三大优点:
1、泵进液口在轴密封同向,轴密封处在负压环境下,因此不会泄漏,克服了原有耐腐耐磨泵易损坏,轴密封易泄漏的固疾。
2、应用范围广泛:该泵备有多种可以互换的衬里材料,可以适用各种化学性质的腐蚀性、磨蚀性清液和料浆的输送,而且各种不同材料的备件互换性能好,用户调整极为方便。
3、运行费用低:其主要因素有二个,一是易损件泵盖和吸入口等采用了分体式结构,设有独立的耐腐耐磨易损件,更换方便,更为经济。二是泵的密封不采用背叶轮减压,节省了轴功率的消耗,节省了能源。
HFL系列空气轴密封料浆离心泵是由HFM系列无泄漏耐腐耐磨泵演变而来,因此,HKL系列空气轴密封料浆离心泵继承了HFM系列无泄漏耐腐耐磨泵的三大优点,同时又增加了短时间内开“空机”密封不损坏,密封使用寿命更长的优点。
一. 本系列泵可输送100℃温度以内的各类腐蚀性和非腐蚀性清液和料浆或用作各类压滤机加压喂料用泵,例如:有色金属的锌、铜、钴、镍、锰等湿法冶炼工艺的压滤机配用泵或工艺流程泵,矿山选矿、非金属矿产加工(钛白粉、高岭土等)工艺中的浆体输送泵,环保产业中的污泥、废渣输送泵,锂电、新能源、化纤、纺织印染等其它化工、染料、制药、食品生产工艺中的压滤泵或压力输送泵。
二. 长期逼压运行(泵出口压力高)输送腐蚀性介质的岗位,如烟气脱硫、大气治理中的压力喷淋泵、压力冲洗泵等。
三. 其它泵输送介质时,容易泄漏的岗位。
四. 该泵有单级和双级二个系列,能满足需要小流量高压力输送腐蚀性料浆的岗位。
不适用岗位:吸入口液体液位低于泵位置0.5m以下或吸入口负压过大的岗位。


| 序号 | 零部件名称 | 材质 | 序号 | 零部件名称 | 材质 | 序号 | 零部件名称 | 材质 | |
| 1 | 集固接头 | A3/UH | √ 11 | √挡砂密封圈 | F26B | √21 | 机封轴套 | 304/PO | |
| 2 | 泵壳 | QT/UH | √ 12 | 静环座 | 304/UH | 22 | 下轴承侧盖 | HT200 | |
| √ 3 | 锁紧螺母 | UHMWPE/A3 | √ 13 | 机封静环 | SiC | √ 23 | 轴承座 | QT | |
| √ 4 | 防转螺母 | A3 | 14 | 油箱 | 24 | 轴承 | |||
| √ 5 | 叶轮 | UHMWPE/A3 | √ 15 | √机封动环 | SiC | 25 | 上轴承侧盖 | HT-200 | |
| √ 6 | 泵盖 | QT/UH | √ 16 | 风轮 | 26 | 电机支架 | QT | ||
| 7 | 支架 | QT | √ 17 | √吸入口三通 | QT/UH | 27 | 主轴联轴器 | ZG | |
| √8 | 前轴套 | 99瓷 | 18 | 主轴 | 45# | 28 | 电机联轴器 | ZG | |
| √ 9 | 密封盒 | A3/UH | 19 | 静环压盖 | 304 | 29 | 电机 | ||
| √ 10 | 叶轮 | 99瓷 | √ 20 | 油箱盖 | F26B | ||||
注:序号前带有“√”标志的为易损件,供用户采购备件参考
5.1 KQ空气轴密封的结构简图及介绍

KQ空气轴密封由密封盒(9)/挡砂密封(11)/空气腔 /机封(13+15)/润滑油腔 /风轮(16)组成。挡砂密封(11)的作用是密封泵腔中的砂浆,不让砂浆进入空气腔;空气腔 的作用是贮存空气,阻止介质接触机封(13+15);机封(13+15)的作用是密封空气腔中的空气;润滑油 的作用是润滑机封的动、静环,使机封的动、静环不会干磨发热;风轮(16)的作用是生风、冷却机封的温度。
5.2 KQ空气轴密封的工作原理
泵机起动后,泵腔中的流体把泵腔中的空气挤入空气腔,空气腔的空气阻隔了被输送介质与密封组件的接触,使轴密封能在洁净的空气环境状态下运行。由于轴密封不接触被输送的液体或砂浆,因此就不会被磨蚀。机封的摩擦副的外周设有贮油腔 ,贮油腔中的润滑油起到润滑并冷却机封的动、静环的作用,使机封在空气中正常工作。风轮(16)产生的风起到冷却机封的作用。
6.1 安装与检查
将泵垂直固定于所需的位置上,连接好出口管路。安装完毕,应用手盘动联轴器,看看是否运转灵活,如转动不灵活或有不正常噪音、卡死等异常,应重新拆泵检查,清理异物,消除噪音;或通过增减叶轮垫调整叶轮与泵体之间的间隙,此间隙应保证在1~2mm之间;或通过增减泵盖垫调整叶轮与泵盖之间的间隙,此间隙应保证在1~2mm之间。安装好后,再盘动联轴器,如此反复直到动转灵活方可接电,按启动程序使泵进入工作状态。
6.2 启动
接通电源点启动,查看电机转动方向与泵上箭头所指方向是否一致,如不一致应重新接线调整;电机运转正常后应慢慢开启出口阀门至所需的工作状态。
6.3 停车
先关闭出口阀门,再关电源。
| 规格 | 参考型号 | 流量 (m3/h) | 扬程 (m) | 电 机参考 功 率 (kW) | 转 速 (r/min) | 进口×出口 |
|---|---|---|---|---|---|---|
| 50HFL | 50HFL-5-10 | 5 | 10 | 1.5 | 1450 | 50×40 |
| 50HFL -5-25 | 5 | 25 | 2.2 | 2900 | ||
| 50HFL -5-35 | 5 | 35 | 3 | 2900 | ||
| 50HFL -5-40 | 5 | 40 | 4 | 2900 | ||
| 50HFL -7.5-10 | 7.5 | 10 | 1.5 | 1450 | ||
| 50HFL -10-10 | 10 | 10 | 2.2 | 1450 | ||
| 50HFL -10-30 | 10 | 30 | 3 | 2900 | ||
| 50HFL -10-35 | 10 | 35 | 4 | 2900 | ||
| 50HFL -10-40 | 10 | 40 | 5.5 | 2900 | ||
| 50HFL -15-25 | 15 | 25 | 3 | 2900 | ||
| 50HFL -15-30 | 15 | 30 | 4 | 2900 | ||
| 50HFL -15-35 | 15 | 35 | 5.5 | 2900 | ||
| 50HFL -15-40 | 15 | 40 | 7.5 | 2900 | ||
| 50HFL -20-20 | 20 | 20 | 4 | 2900 | ||
| 50HFL -20-30 | 20 | 30 | 5.5 | 2900 | ||
| 50HFL -20-40 | 20 | 40 | 7.5 | 2900 | ||
| 65HFL | 65HFL -10-40 | 10 | 40 | 5.5 | 2900 | 65×50 |
| 65HFL -10-50 | 10 | 50 | 7.5 | 2900 | ||
| 65HFL -20-30 | 20 | 30 | 5.5 | 2900 | ||
| 65HFL -20-40 | 20 | 40 | 7.5 | 2900 | ||
| 65HFL -20-50 | 20 | 50 | 11 | 2900 | ||
| 65HFL -30-30 | 30 | 30 | 7.5 | 2900 | ||
| 65HFL -30-40 | 30 | 40 | 11 | 2900 | ||
| 65HFL -30-50 | 30 | 50 | 15 | 2900 | ||
| 65HFL-H | 65HFL -H-5-15 | 5 | 15 | 1.1 | 1450 | 65×50 |
| 65HFL -H-10-15 | 10 | 15 | 2.2 | 1450 | ||
| 65HFL -H-10-60 | 10 | 60 | 11 | 2900 | ||
| 65HFL -H-10-70 | 10 | 70 | 15 | 2900 | ||
| 65HFL -H-15-15 | 15 | 15 | 3 | 1450 | ||
| 65HFL -H-15-80 | 15 | 80 | 18.5 | 2900 | ||
| 65HFL -H-20-60 | 20 | 60 | 15 | 2900 | ||
| 65HFL -H-20-70 | 20 | 70 | 18.5 | 2900 | ||
| 65HFL -H-30-60 | 30 | 60 | 18.5 | 2900 | ||
| 65HFL -H-30-70 | 30 | 70 | 22 | 2900 | ||
| 80HFL | 80HFL -20-12.5 | 20 | 12.5 | 3 | 1450 | 80×65 |
| 80HFL -25-12.5 | 25 | 12.5 | 4 | 1450 | ||
| 80HFL -30-35 | 30 | 35 | 7.5 | 2900 | ||
| 80HFL -30-40 | 30 | 40 | 11 | 2900 | ||
| 80HFL -30-50 | 30 | 50 | 15 | 2900 | ||
| 80HFL -40-35 | 40 | 35 | 11 | 2900 | ||
| 80HFL -40-40 | 4 | 40 | 15 | 2900 | ||
| 80HFL -40-50 | 40 | 50 | 18.5 | 2900 | ||
| 80HFL -45-35 | 45 | 25 | 11 | 2900 | ||
| 80HFL -45-40 | 45 | 40 | 15 | 2900 | ||
| 80HFL -45-50 | 45 | 50 | 18.5 | 2900 | ||
| 80HFL -50-35 | 50 | 35 | 15 | 2900 | ||
| 80HFL -50-45 | 50 | 45 | 18.5 | 2900 | ||
| 80HFL -50-50 | 50 | 50 | 22 | 2900 | ||
| 80HFL-H | 80HFL -H-15-15 | 15 | 15 | 3 | 1450 | 80×65 |
| 80HFL -H-25-80 | 25 | 80 | 22 | 2900 | ||
| 80HFL -H-30-60 | 30 | 60 | 18.5 | 2900 | ||
| 80HFL -H-30-70 | 30 | 70 | 22 | 2900 | ||
| 80HFL -H-40-60 | 40 | 60 | 22 | 2900 | ||
| 80HFL -H-40-70 | 40 | 70 | 30 | 2900 | ||
| 80HFL -H-50-60 | 50 | 60 | 30 | 2900 | ||
| 100HFL | 100HFL -25-12.5 | 25 | 12.5 | 3 | 1450 | 100×80 |
| 100HFL -40-10 | 40 | 10 | 5.5 | 1450 | ||
| 100HFL -50-50 | 50 | 50 | 22 | 2900 | ||
| 100HFL -60-30 | 60 | 30 | 15 | 2900 | ||
| 100HFL -60-40 | 60 | 40 | 18.5 | 2900 | ||
| 100HFL -60-50 | 60 | 50 | 22 | 2900 | ||
| 100HFL -80-35 | 80 | 35 | 18.5 | 2900 | ||
| 100HFL -80-40 | 80 | 40 | 22 | 2900 | ||
| 100HFL -100-35 | 100 | 35 | 22 | 2900 | ||
| 100HFL-H | 100HFL -H-30-15 | 30 | 15 | 4 | 1450 | 100×80 |
| 100HFL -H-40-15 | 40 | 15 | 5.5 | 1450 | ||
| 100HFL -H-40-80 | 40 | 80 | 30 | 2900 | ||
| 100HFL -H-50-60 | 50 | 60 | 30 | 2900 | ||
| 100HFL -H-50-70 | 50 | 70 | 30 | 2900 | ||
| 100HFL -H-60-60 | 60 | 60 | 30 | 2900 | ||
| 100HFL -H-60-70 | 60 | 70 | 37 | 2900 | ||
| 100HFL -H-60-80 | 60 | 80 | 45 | 2900 | ||
| 100HFL -H-80-50 | 80 | 50 | 30 | 2900 | ||
| 100HFL -H-80-60 | 80 | 60 | 37 | 2900 | ||
| 100HFL -H-80-70 | 80 | 70 | 45 | 2900 | ||
| 100HFL -H-100-40 | 100 | 40 | 30 | 2900 | ||
| 100HFL -H-100-50 | 100 | 50 | 37 | 2900 | ||
| 100HFL -H-100-60 | 100 | 60 | 45 | 2900 | ||
| 100HFL -H-120-60 | 120 | 60 | 55 | 2900 |
注:1. 表中轴功率为密度ρ=1时的轴功率,配备电机功率的选用应大于轴功率×ρ(介质密度);
2. 参考型号只是例举了一些常用的流量、扬程参数,实际型号根据客户需求的参数而定;
3. 本公司保留修正、调整性能参数的权利,恕不另行通知。

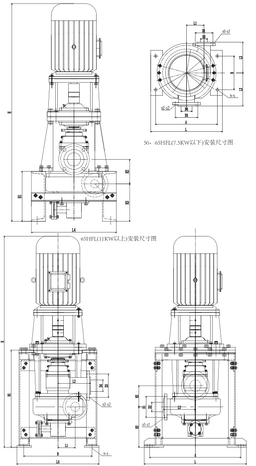
| 型号 | 配套电机 | L | L1 | L2 | L3 | L4 | H | H1 | H2 | H3 | D1 | D2 | n1×s1 | D3 | D4 | n2×s2 | A | B | n×s |
|---|---|---|---|---|---|---|---|---|---|---|---|---|---|---|---|---|---|---|---|
| 50HFL | -7.5KW-2 | 510 | 125 | 235 | 218 | 510 | 1300 | 300 | 145 | 225 | 110 | 40 | 4-φ18 | 125 | 50 | 4-φ18 | 440 | 240 | 4-φ18 |
| 65HFL | -7.5KW-2 | 510 | 125 | 235 | 218 | 510 | 1300 | 300 | 145 | 225 | 125 | 50 | 4-φ18 | 145 | 65 | 4-φ18 | 440 | 240 | 4-φ18 |
| 65HFL | 11-15KW-2 | 740 | 125 | 235 | 218 | 600 | 1450 | 670 | 145 | 280 | 125 | 50 | 4-φ18 | 145 | 65 | 4-φ18 | 660 | 500 | 4-φ23 |
| 80HFL | -22KW-2 | 740 | 125 | 235 | 218 | 600 | 1450 | 670 | 145 | 280 | 145 | 65 | 4-φ18 | 160 | 80 | 4-φ18 | 660 | 500 | 4-φ23 |
| 100HFL | -22KW-2 | 740 | 125 | 235 | 218 | 600 | 1450 | 670 | 145 | 280 | 160 | 80 | 4-φ18 | 160 | 100 | 8-φ18 | 660 | 500 | 4-φ23 |
| 65HFL-H | 11-22KW-2 | 740 | 125 | 235 | 218 | 600 | 1450 | 670 | 145 | 280 | 125 | 50 | 4-φ18 | 145 | 65 | 4-φ18 | 660 | 500 | 4-φ23 |
| 80HFL-H | 11-22KW-2 | 740 | 125 | 235 | 218 | 600 | 1450 | 670 | 145 | 280 | 145 | 65 | 4-φ18 | 160 | 80 | 4-φ18 | 660 | 500 | 4-φ23 |
| 100HFL-H | 30-37KW-2 | 740 | 125 | 235 | 218 | 660 | 1750 | 700 | 145 | 280 | 160 | 80 | 4-φ18 | 180 | 100 | 8-φ18 | 660 | 500 | 4-φ23 |








