联系

IHF单级单吸式钢衬氟塑料化工离心泵(简称IHF离心泵)是按国际标准并结合非金属泵的工艺设计,采用龟甲网衬里专利技术制造,和其它同类泵相比具有衬里防脱落、防开裂的优点。泵体采用金属外壳内衬聚全氟乙丙烯(F46)、泵盖、叶轮和轴套均用金属嵌件外包氟塑料整体烧结压制而成,轴封采用外装式机械密封,其密封性极好。泵的进出口均采用铸钢体加固,以增强泵的耐压性。实际使用显示,该泵具有耐腐、耐温、不老化、机械强度高、运转平稳、结构先进合理、密封性能严密可靠、拆卸检修方便、使用寿命长等优点。和同材质全塑型防腐泵相比,更具有抗蠕变性、安装性能及抗热变形性能好的优势。
该泵规格齐全,共有150个规格,居同行业之先。输送流量范围为:3~1000m3/h,使用温度为:-20~110℃。目前已被广泛应用于:化工生产中的腐蚀性介质输送、有色金属冶炼中的电解液输送及制药、石油、电力、电镀、染料、农药、造纸、食品、纺织,冶炼、钛白粉、盐化工、钾复肥等众多行业。可长期输送任意浓度的硫酸、盐酸、氢氟酸、硝酸、王水、强碱、强氧化剂、有机溶剂、还原剂等强腐蚀介质而毫不受损,是目前最受使用单位欢迎的泵类设备之一。

注:1:4.2叶轮用螺栓紧固型:IHF25-20-125、IHF25-25-250、IHF40-25-140、IHF40-20-250四个规格,其余均为4.1穿轴螺杆型形式;
2:红色序号是两种不同结构泵不同的部位零件。
| 序号 | 型号 | 转速=2900r/min | 介质密度=1000kg/m³ | ||||
|---|---|---|---|---|---|---|---|
| 流量 (m3/h) | 扬程 (m) | 进口(mm) | 出口(mm) | 配备电机 | 重量 (kg) | ||
| 1 | 50HFM-UI | 5 | 25 | 50 | 40 | 2.2kW-2 | 160 |
| 2 | 5 | 30 | 3kW-2 | 170 | |||
| 3 | 5 | 35 | 3kW-2 | 180 | |||
| 4 | 5 | 40 | 4kW-2 | 200 | |||
| 5 | 10 | 25 | 3kW-2 | 180 | |||
| 6 | 10 | 30 | 4kW-2 | 200 | |||
| 7 | 10 | 35 | 5.5kW-2 | 220 | |||
| 8 | 10 | 40 | 7.5kW-2 | 245 | |||
| 9 | 15 | 25 | 3kW-2 | 180 | |||
| 10 | 15 | 30 | 4kW-2 | 200 | |||
| 11 | 15 | 35 | 5.5kW-2 | 220 | |||
| 12 | 15 | 40 | 7.5kW-2 | 245 | |||
| 13 | 20 | 25 | 4kW-2 | 200 | |||
| 14 | 20 | 30 | 5.5kW-2 | 220 | |||
| 15 | 65HFM-UI | 20 | 35 | 65 | 50 | 7.5kW-2 | 320 |
| 16 | 20 | 40 | 7.5kW-2 | 320 | |||
| 17 | 20 | 50 | 11kW-2 | 360 | |||
| 18 | 30 | 35 | 11kW-2 | 360 | |||
| 19 | 30 | 40 | 11kW-2 | 360 | |||
| 20 | 30 | 50 | 15kW-2 | 370 | |||
| 21 | 65HFM-UH | 10 | 60 | 65 | 50 | 11kW-2 | 360 |
| 22 | 10 | 70 | 15kW-2 | 370 | |||
| 23 | 15 | 80 | 15kW-2 | 370 | |||
| 24 | 20 | 60 | 15kW-2 | 370 | |||
| 25 | 20 | 70 | 18.5kW-2 | 370 | |||
| 26 | 80HFM-UI | 40 | 35 | 80 | 65 | 11kW-2 | 360 |
| 27 | 40 | 40 | 15kW-2 | 370 | |||
| 序号 | 型号 | 转速=2900r/min | 介质密度=1000kg/m³ | ||||
|---|---|---|---|---|---|---|---|
| 流量 (m3/h) | 扬程 (m) | 进口(mm) | 出口(mm) | 配备电机 | 重量 (kg) | ||
| 28 | 80HFM-UI | 40 | 50 | 80 | 65 | 18.5kW-2 | 400 |
| 29 | 45 | 35 | 15kW-2 | 360 | |||
| 30 | 45 | 40 | 15kW-2 | 370 | |||
| 31 | 45 | 50 | 18.5kW-2 | 400 | |||
| 32 33 34 35 | 80HFM-UH | 25 | 80 | 80 | 65 | 22kW-2 | 440 |
| 30 | 60 | 18.5kW-2 | 400 | ||||
| 30 | 70 | 22kW-2 | 440 | ||||
| 40 | 60 | 22kW-2 | 440 | ||||
| 36 | 100HFM-UI | 50 | 35 | 100 | 80 | 15kW-2 | 420 |
| 37 | 50 | 40 | 18.5kW-2 | 440 | |||
| 38 | 50 | 50 | 22kW-2 | 480 | |||
| 39 | 60 | 35 | 18.5kW-2 | 420 | |||
| 40 | 60 | 40 | 18.5kW-2 | 440 | |||
| 41 | 60 | 45 | 22kW-2 | 480 | |||
| 42 | 60 | 50 | 22kW-2 | 480 | |||
| 43 | 80 | 35 | 18.5kW-2 | 440 | |||
| 44 | 80 | 40 | 22kW-2 | 480 | |||
| 45 | 100 | 35 | 22kW-2 | 480 | |||
| 46 | 100HFM-UH | 40 | 80 | 100 | 80 | 30kW-2 | 560 |
| 47 | 50 | 60 | 30kW-2 | 560 | |||
| 48 | 50 | 70 | 30kW-2 | 560 | |||
| 49 | 60 | 60 | 30kW-2 | 560 | |||
| 50 | 60 | 70 | 37kW-2 | 580 | |||
| 51 | 80 | 50 | 30kW-2 | 560 | |||
| 52 | 80 | 60 | 37kW-2 | 580 | |||
| 53 | 100 | 40 | 30kW-2 | 560 | |||
| 54 | 100 | 50 | 37kW-2 | 580 | |||

需要完成
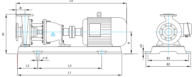
| 序号 | 产品型号 | 电机功率(KW) | L1 | L2 | L3 | L5 | a | B2 | B3 | H3 | H | H1 | n-d |
|---|---|---|---|---|---|---|---|---|---|---|---|---|---|
| 1 | |||||||||||||
| 2 | |||||||||||||
| 3 | |||||||||||||
| 4 | |||||||||||||
| 5 | |||||||||||||
| 6 | |||||||||||||
| 7 | |||||||||||||
| 8 | |||||||||||||
| 9 | |||||||||||||
| 10 | |||||||||||||
| 11 | |||||||||||||
| 12 | |||||||||||||
| 13 | |||||||||||||
| 14 | |||||||||||||
| 15 | |||||||||||||
| 16 | |||||||||||||
| 17 | |||||||||||||
| 18 | |||||||||||||
| 19 | |||||||||||||
| 20 | |||||||||||||
| 21 | |||||||||||||
| 22 | |||||||||||||
| 23 | |||||||||||||
| 24 | |||||||||||||
| 25 | |||||||||||||
| 26 | |||||||||||||
| 27 | |||||||||||||
| 28 | |||||||||||||
| 29 | |||||||||||||
| 30 | |||||||||||||
| 31 | |||||||||||||
| 32 | |||||||||||||
| 33 | |||||||||||||
| 34 | |||||||||||||
| 35 | |||||||||||||
| 36 | |||||||||||||
| 37 | |||||||||||||
| 38 | |||||||||||||
| 39 | |||||||||||||
| 40 |










