联系

HFL-T1(2)泵是一种钢衬浇铸或烧结型碳化硅的防腐耐磨离立式心泵,其主要特点在于:一是泵壳、泵盖、叶轮的过流部材质均为浇铸(T1)或烧结型(T2)碳化硅材料制作,有极好的耐磨性能,耐磨性能是超高分子量聚乙烯的6~8倍。该泵是一种既防腐又耐磨,且耐温的新型防腐泵。
该泵是总结了普通耐腐耐磨泵,在运行时,密封容易泄漏的情况下开发的一种新型压力输送泵,它具有以下三大优点:
1、泵进液口在轴密封同向,轴密封处在负压环境下,因此不会泄漏,克服了原有耐腐耐磨泵易损坏,轴密封易泄漏的固疾。
2、应用范围广泛:该泵备有多种可以互换的衬里材料,可以适用各种化学性质的腐蚀性、磨蚀性清液和料浆的输送,而且各种不同材料的备件互换性能好,用户调整极为方便。
3、运行费用低:其主要因素有二个,一是易损件泵盖和吸入口等采用了分体式结构,设有独立的耐腐耐磨易损件,更换方便,更为经济。二是泵的密封不采用背叶轮减压,节省了轴功率的消耗,节省了能源。
HFL-T1(2)系列泵适用于使用温度低于120℃的酸碱类腐蚀性浆液的输送,主要适用于:
△ 有色金属湿法冶炼中的铜、锌、镍、钴、金、锂、锰等行业的耐磨要求高的料浆输送岗位。
△ 环保工程的排渣、尾矿输送等岗位。
△ 钢铁、电力、煤炭业中的废渣、废浆输送,例如石灰浆、石膏浆的输送。
△ 非金属矿产加工的白土、膨润土、石英砂等岗位的输送。
△ 其它矿产、化工、化肥等行业中的磨蚀性浆体、腐蚀性浆体的输送。
| 序号 | 零部件名称 | 材质 | 序号 | 零部件名称 | 材质 | 序号 | 零部件名称 | 材质 | |
| 1 | 前泵盖 | 11 | 21 | ||||||
| √2 | 12 | 22 | |||||||
| √3 | 13 | 23 | |||||||
| √4 | 14 | 24 | |||||||
| √5 | 15 | 25 | |||||||
| √6 | 16 | 26 | |||||||
| √7 | 17 | 27 | |||||||
| 8 | 18 | 28 | |||||||
| 9 | 19 | 29 | |||||||
| 10 | 20 | 30 | |||||||
5.1 KQ空气轴密封的结构简图及介绍

KQ空气轴密封由密封盒(9)/挡砂密封(11)/空气腔 /机封(13+15)/润滑油腔 /风轮(16)组成。挡 砂密封(11)的作用是密封泵腔中的砂浆,不让砂浆进入空气腔;空气腔 的作用是贮存空气,阻止介质 接触机封(13+15);机封(13+15)的作用是密封空气腔中的空气;润滑油 的作用是润滑机封的动、 静环,使机封的动、静环不会干磨发热;风轮(16)的作用是生风、冷却机封的温度。
5.2 KQ空气轴密封的工作原理
泵机起动后,泵腔中的流体把泵腔中的空气挤入空气腔,空气腔的空气阻隔了被输送介质与密封组件的接触 ,使轴密封能在洁净的空气环境状态下运行。由于轴密封不接触被输送的液体或砂浆,因此就不会被磨蚀。机封 的摩擦副的外周设有贮油腔 ,贮油腔中的润滑油起到润滑并冷却机封的动、静环的作用,使机封在空气中正常工 作。风轮(16)产生的风起到冷却机封的作用。
6.1 安装与检查
将泵垂直固定于所需的位置上,连接好出口管路。安装完毕,应用手盘动联轴器,看看是否运转灵活,如转 动不灵活或有不正常噪音、卡死等异常,应重新拆泵检查,清理异物,消除噪音;或通过增减叶轮垫调整叶轮与 泵体之间的间隙,此间隙应保证在1~2mm之间;或通过增减泵盖垫调整叶轮与泵盖之间的间隙,此间隙应保证在 1~2mm之间。安装好后,再盘动联轴器,如此反复直到动转灵活方可接电,按启动程序使泵进入工作状态。
6.2 启动
接通电源点启动,查看电机转动方向与泵上箭头所指方向是否一致,如不一致应重新接线调整;电机运转正 常后应慢慢开启出口阀门至所需的工作状态。
6.3 停车
先关闭出口阀门,再关电源。
| 规格 | 参考型号 | 流量 (m³/h) | 扬程 (m) | 电机功率 (Kw) | 转速 (r/min) | 自吸高度 (m) | 进口×出口 (mm×mm) |
|---|---|---|---|---|---|---|---|
| 50HFL-T1(2) | 50×40 | ||||||
| 50HFL-T1(2) | |||||||

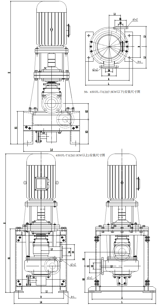
| 型号 | 配套电机 | L | L1 | L2 | L3 | L4 | H | H1 | H2 | H3 | D1 | D2 | n1×s1 | D3 | D4 | n2×s2 | A | B | n1×s1 |
|---|---|---|---|---|---|---|---|---|---|---|---|---|---|---|---|---|---|---|---|










